
3D教程 | 轻松掌握三维CADBOM表和工程图自定义属性引用CAD全百科发表时间:2024-12-04 10:06 为帮助设计师提升设计效率和规范工作流程,中望3D提供了丰富的自定义属性和模版配置功能。之前已经分享了如何自定义BOM表格式的小技巧,今天文章将详细介绍在中望3D这款三维CAD软件里,如何在BOM表和工程图中快速引用自定义属性,让工作轻松加速! 快速指引 | 中望3D能做什么? 拥有自主知识产权的国产三维CAD/CAE/CAM全流程工业软件。高效兼容Creo/Proe、NX/UG、Solidworks、Caita等国外3D软件。拥有曲面造型、实体建模、模具设计、装配钣金、工程图、仿真、2-5轴加工模块。支持Wins+Linux双系统。 一、模版文件路径配置 1. 选择路径 打开中望3D,点击【配置】⚙️,选择【文件】下的【对象模版文件】路径。
2. 找到文件 复制该路径并粘贴到电脑文件夹地址栏,按回车键,找到【AssemTemplate(MM).Z3ASM】文件并双击打开。
3. 打开模版文件 包括PartTemplate 的零件和装配文件,以及任意一个工程图模版文件。本文在这里打开的是【A3_H(GB_chs).Z3DRW】。
二、设置自定义属性 1. 打开自定义属性窗口。返回中望3D,选中AssemTemplate文件,在菜单选择栏【属性】>【属性...】。
2. 配置自定义属性内容。在弹出的属性窗口中,点击【用户】选项,在属性名称中依次输入“零件类型”和“零件编号”。设置完成后,点击【应用】>【确定】。
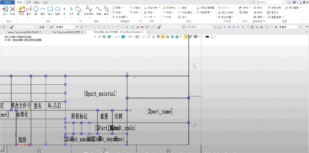
3. 同步零件文件设置。对零件的PartTemplate文件执行相同的属性设置操作,确保装配和零件模版保存一致。 三、在工程图中引用自定义属性 1. 进入工程图标题栏编辑。打开工程图A3_H(GB_chs).Z3DRW,在左侧的【管理器】中展开【图纸格式】,双击【Title Block】进入编辑模式。
2. 插入文字对象。点击菜单栏中的【文字】图标。在右侧文字面板,选择【必选】下方的第三个图标(方框文字),框选需要插入文字的区域。
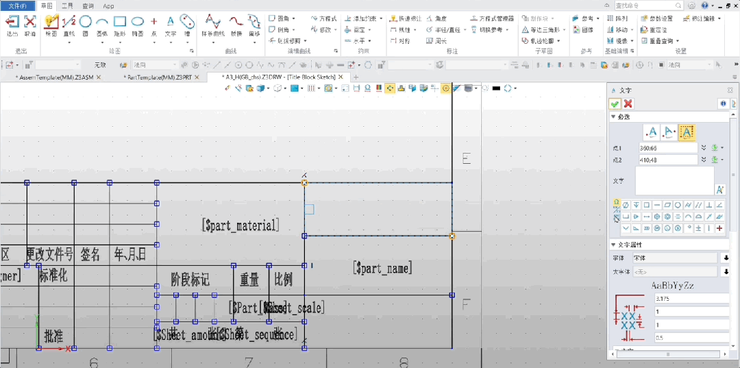
3. 绑定自定义属性。点击【文字】图标后选择【变量浏览器】(第三个图标)。在弹出的窗口中,从【标准属性】下拉菜单中选择预设属性文字,并将属性名称更改为对应的自定义属性名称。
4. 调整文字样式。在【文字属性】面板中调整文字大小,样式,完成后点击确认。
5. 保存配置默认模版。完成编辑后,保存工程图模版、零件模版和装配模版文件。
四、配置默认模版 1. 设置缺省零件模版。返回【配置】⚙️页面,在【文件】栏中复制【对象模版】路径。点击【缺省零件模版】,在文件名栏粘贴刚复制的路径,找到【PartTemplate(MM).Z3PRT】文件点击【打开】按钮
2. 设置缺省配置模版。同样操作设置【缺省装配模版】,选择【AssemTemplate(MM).Z3ASM】文件,完成后点击【应用】>【确认】 五、新建零件并生成工程图与BOM表 1. 创建新零件。新建一个零件并绘制简易几何图形。
2. 设置自定义属性。在【属性】栏内输入所需的自定义属性内容,点击【应用】>【确定】
3. 生成工程图 在上方工具栏中选择2D工程图模版,点击【确认】,进入工程图后自定义属性内容会自动显示
4. 创建BOM表 ① 在【布局】菜单栏点击【BOM表】命令
② 在左侧面板中根据需求修改视图和名称
③ 在【表格式】中的【属性类型】选择【用户】,将左侧【有效的】内容移至【选定】栏,点击确认,生成的BOM表将显示设定好的自定义属性内容。
通过上述步骤,我们即可在中望3D中实现BOM模版的规范化设置、自定义属性的高效管理,你学会了吗? 推荐阅读 本文为「CAD芯智库/芯维智」原创文章,未经允许请勿转载二改:https://www.xwzsoft.com/h-nd-528.html
|